跳转至

GTN_BindTimer

指令原型:

GT_API GTN_BindTimer(short core, short thread, TVarInfo* pVarInfo, TBindTimer* pBindTimer)

指令类型:

立即指令,调用后立即生效。

指令说明:

将全局变量绑定到定时器。(运动程序)

指令参数说明:

core 核号,正整数,取值范围请参照核号参数范围一栏。
thread 线程编号,取值范围:[0, 31]。
pVarInfo 要绑定的全局变量参数结构体指针。详情说明请参照TVarInfo
TVarInfo
typedef struct VarInfo
{
    short id;
    short dataType;
    char  name[32];
} TVarInfo;
id:变量序号,非负数。
dataType:变量数据类型。PLC_INT_TYPE(1):int类型。PLC_DOUBLE_TYPE(2):double类型。
name:变量名称。
pBindTimer 定时器参数结构体指针。详情说明请参照TBindTimer
TBindTimer
typedef struct
{
    short timerType;
    int32_t delay;
    short inputVarId;
} TBindTimer;
timerType:定时器类型。
0:延时打开(TT) 。
1:延时关闭(TF)。
2:延时打开延时关闭(TTF)。
delay:延时时间,时间单位是毫秒。
inputVarId:定时器输入变量。

指令返回值:

请参照通用返回值说明

相关指令:

GTN_UnbindVar

注意事项: 当定时器的输入状态发生变化时,定时器的输出延迟一段时间以后才会改变。
读取绑定变量将读到定时器的输出状态。
写入绑定变量将更新定时器的输入状态。由于定时器已经指定了输入变量,因此不需要在程序中更新绑定变量。如果指定输入变量的同时又在程序中更新绑定变量,那么在程序中更新值有效。
定时器延迟时间的单位是毫秒,但是定时精度和线程的定时周期有关。定时器的实际延迟时间只能是线程定时周期的整数倍。
每个线程可以绑定32个定时器。
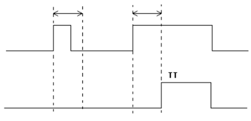
定时器有3种工作模式。

  • 延时打开(TT) 当输入为1并保持设定时间以后,输出为1。当输入为0,输出立即为0。

延时打开

延时打开示意图

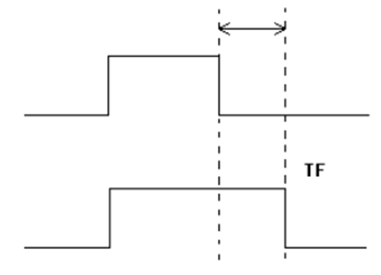
  • 延时关闭(TF) 当输入为1,输出立即为1。当输入为0并保持设定时间以后,输出为0。

延时关闭

延时关闭示意图

  • 延时打开延时关闭(TF) 当输入为1并保持设定时间以后,输出为1。当输入为0并保持设定时间以后,输出为0。